技术:教你分分钟看懂加工中心零件图纸
数控加工中心启航彩的日常操作中要接触各类零件图纸,使用视图、剖视图、剖面图表示零件的内外结构;各部分的轮廓尺寸及转变等等。可以说没有详细的认图知识储备就会给日常工作带来不小的影响。下面小编就给大家详细介绍识读零件图的一般方法和步骤以及常用的方法。全是干货,值得收藏哦
识图的方法步骤
启航彩 (1)首先看标题栏,概括了解零件
看标题栏,了解零件名称、材料和比例等内容,从而大体了解零件的功用,从名称判断该零件属于哪一类零件。从材料判断该零件大致的加工方法。从比例判断该零件的实际大小,从而对零件有初步的了解。
启航彩 (2)分析研究视图,想象结构形状
启航彩 看视图,分析零件各视图的配置及视图之间的关系,采用的表达方法和表达的内容,运用组合体的读图方法,形体分析法和线面分析法来读懂零件各部分的结构,想象出零件各部分的形状、相对位置及其作用。
启航彩 (3)分析所有尺寸,弄清尺寸要求
综合分析视图和形体,分析零件的长、宽、高三个方向的尺寸基准,然后从基准出发,以结构形状分析为线索,再了解各形体的定形和定位尺寸,弄清各个尺寸的作用,图形和尺寸表达的是零件的形状和大小,读图时应把视图、尺寸和形状结构三者结合起来分析。
(4)分析技术要求,综合看懂全图
读图时应弄清表面粗糙度、尺寸公差、形位公差等技术要求。了解其代号含义。必要时还要联系与该零件有关的零件一起分析。
正投影法

投影时投影线都相互平行,投影线与投影面相垂直的平行投影法。
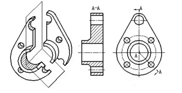
1. 基本视图


2. 向视图

3. 局部视图

4. 斜视图

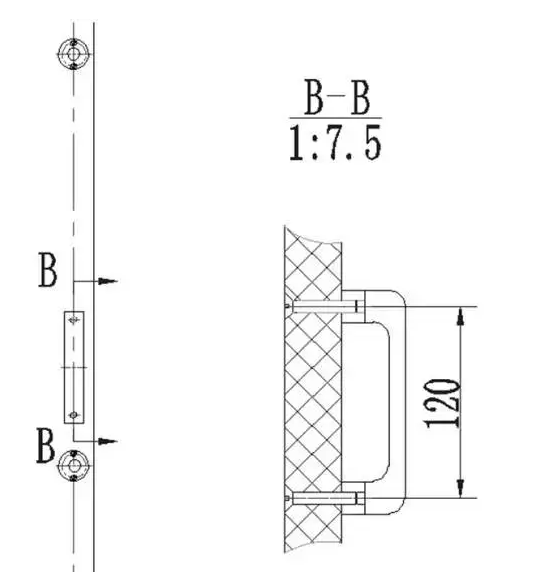
5. 剖视图

1)全剖视图

2)半剖视图

3)局部剖视图

4)阶梯剖

5)旋转剖

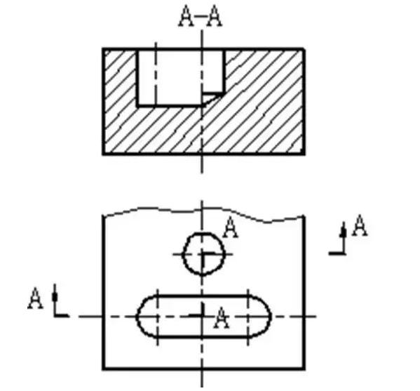
6. 断面图

假想用剖切平面将机件在某处切断,只画出切断面形状的投影并画上规定的剖面符号的图形,称为断面图,简称为断面。
加工中心视频

- 成海五轴加工中心14CIMES演示视频
描述:第14届中国国国际机床工具展览会,成海五轴加工中心现场演示视频

- vk636加工中心加工视频现场-主轴中心出水
描述:徐州客户调试vk636加工中心现场视频-加工中心主轴中心出水

- vmc1270加工中心加工试件视频
描述:成海vmc1270加工中心-潍坊客户现场试件

- vk636加工中心加工视频
描述:成海vk636加工中心加工视频






